类别:废水废气处理设备
全国咨询服务热线:400-0555-906
大树环保废水废气处理设备
一、废水处理
废水处理采用生物发酵技术,并经过多道处理工艺,把污水中的固液进行分离,降低污水中的COD、BOD指标,达到《污水综合排放标准》(GB8978-1996)、《污水排入城市下水道水质标准》(GB3082-1999)要求污水经处理后排放至市政污水管网或化粪池。污水经处理后,达到下表中的各项指标:
控制项目 |
CODCrmg/L |
BDD5mg/L |
SSmg/L |
PH |
指标 |
≤500 |
≤300 |
≤400 |
6.0~9.0 |
|
|
废水处理方案:
处理工艺方案图
|
|
处理工艺流程图
|
|
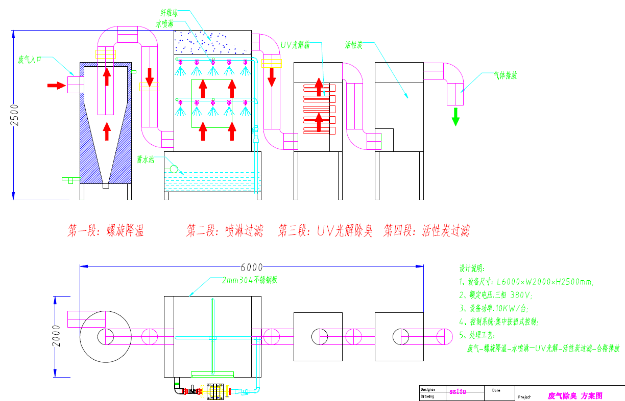
二、废气处理
本项目的废气处理,配置上的设计及制造都考虑在适用的基础上配置在行业内的先进性,为此我们对众多的用户进行了长期的产品跟踪,广泛收集意见,并组织专员对产品进行了不断改善,主要处理技术如下:
1、采用世界先进的UV光解技术:废气进入到UV解箱后,净化设备运用高能UV紫外线光束及臭氧对臭气进行协同分解氧化反应,使臭气物质降解转化成低分子化合物、水和二氧化碳,再通过反应箱短暂反应后达标排出;
2、多级过滤净化:本处理设备配置行业内多种废气过滤净化,共和3次过滤,从开始的喷淋过滤,再到活性炭过滤,然后UV光解技术,融合了多种净化技术,使臭气在净化过程中增加过滤的时间,对臭气充分净化过滤,达到环保气体再排出;
3、一体化程度高:本处理设备的多级过滤全部集中在一个处理箱内,占用空间小,一体程度高,属行业内很先进的处理设备之一;
整个处理中心的废气主要从三个方面考虑:
空间废气处理:采用微生物喷雾除臭方式,将处理车间所有废气进行处理,现场无异味产生;
设备产生废气处理:主要是发酵主机工作时产生的废气,引管接入除臭设备进行处理;
垃圾裸露废气处理:垃圾裸露部分全部加装密封罩,并安装抽风设备,将废气引入除臭设备进行统一处理
|
UV光解 |
+ |
喷淋除臭 |
+ |
碳吸除 |
|
达到《恶臭污染排放标准》(GB14554)中相关规定的废气排放标准
|
废气处理方案图
|
|


扫一扫关注官方微信